| 型号 | PM-945GSE-N270-R10 « 1GB内存板载» |
| CPU | Intel® Atom™ 处理器 N270 1.6GHz 支持一个533Mhz FSB |
| 系统芯片组 | Intel® 945GSE/ICH7-M |
| BIOS | AMI BIOS |
| 内存 | 板载1GB DDR2 SDRAM |
| 网络 | 一个PCIe 10/100Mbps Realtek 8102E芯片组 |
| I/O接口 | 4 x USB 2.0 1 x SATA 4 x RS-232 1 x RS-422/485 (共享COM2) 1 x PS/2支持KB/MS 1 x CF Type II |
| 数字 I/O | 8-bit 数字 I/O (4-bit输入, 4-bit输出) |
| 扩展 | PCI-104 |
| 音频 | 5.1通道音频套件支持Realtek ALC655 AC'97编解码器 7.1通道HD音频套件支持Realtek ALC883编解码器支持双音频流 |
| 显示接口 | Intel® Graphics Media Accelerator 950 VGA集成Intel® 945GSE 18 bit双通道LVDS集成Intel® 945GSE |
| 电源 | 仅支持5V, 12V 支持 LCD/FAN, 支持AT/ATX |
| Super IO | Fintek F81865 |
| 看门狗定时器 | 软件可编程1-255 sec. 通过super I/O |
| 温度 | 操作: 0 ~ 60°C ( 32 ~ 140°F) |
| 湿度 | 操作: 5% ~95 无冷凝 |
| 功耗 | 5V@2.6A (Intel® Atom™ N270 1.6GHz, 1GB DDR2) |
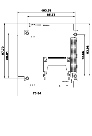
| 尺寸 | 108.59mm x 116mm (4.275" x 4.55") |
| 重量 | GW: 650g / NW 250g |
| 机构图 |
![]() |
![]() |
![]() |
| 威强PCI-104支持Intel® Atom™ 产品 |
| 型号 | PM-945GSE-N270-R10 | PM-US15W-Z510-R10/PM-US15W-Z530-R10 |
| CPU | Intel® Atom™ 处理器 N270 1.6GHz 支持一个533Mhz FSB, 支持HT | Intel® Atom™ 处理器 Z530 1.6GHz 支持一个533Mhz FSB, 支持HT Intel® Atom™ 处理器 Z510 1.6GHz 支持一个400Mhz FSB |
| 系统 芯片组 |
Intel® 945GSE/ICH7-M | Intel® US15W |
| 内存 | 支持板载1GB DDR2 SDRAM. | 一个200pin DDR2 SO-DIMM 支持达到2GB |
| 网络 | 一个10/100Mbps PCIe Realtek 8102E芯片组 | 一个10/100Mbps PCIe Realtek 8102E芯片组 |
| I/O接口 | 4 x USB 2.0 1 x SATA 4 x RS-232 1 x RS-422/485 (共享COM2) 1 x PS/2支持KB/MS 1 x CF Type II |
4 x USB2.0 1 x IDE 4 x RS-232 1 x RS-422/485 (共享COM2) 1 x PS/2支持KB/MS 1 x CF Type II |
| 数字I/O | 8-bit 数字I/O (4-bit输入t, 4-bit 输出) | 8-bit 数字I/O (4-bit输入, 4-bit输出) |
| 扩展 | PCI-104 | PCI-104 支持通过PCIe to PCI bridge PLX PEX8112 |
| 音频 | 5.1通道音频套件支持Realtek ALC655 AC'97编解码器 7.1通道HD音频套件支持Realtek ALC883编解码器 支持双音频流 |
7.1通道HD音频套件支持Realtek ALC883编解码器 支持双音频流 |
| 显示接口 | Intel® Graphics Media Accelerator 950 VGA集成Intel® 945GSE 18 bit 双通道LVDS集成Intel® 945GSE |
Intel® Graphics Media Accelerator 500 H.264全硬件加速, MPEG2, VC1并支持WMV9 VGA 支持通过LVDS到VGA转换板(LVDS-VGA-R10) 24 bit单通道LVDS集成Intel® US15W |
| 电源 | 仅支持5V, 12V支持LCD/FAN, 支持AT/ATX | 仅支持5V, 12V支持LCD, 支持AT/ATX |
| Super IO | Fintek F81865 | SMSC 3114 |
| 看门狗 定时器 |
软件可编程1-255 sec.通过super I/O | 软件可编程1-255 sec.通过super I/O |
| 功耗 | 5V@2.6A (Max), 5V@1.57A (idle) (Intel® Atom™ N270 1.6GHz, 1GB DDR2) |
5V@2.31A (Max); 5V@1.46A (idle) (Intel® Atom™ Z530 1.6GHz, 2GB DDR2) 5V@1.95A (Max); 5V@1.33A (idle) (Intel® Atom™ Z510 1.1GHz, 2GB DDR2) |
| 尺寸 | 108.59mm x 116mm (4.275" x 4.55") | 90mm x 96mm |
| 包装清单 |
| 1 x PM-945GSE Single Board Computer | 1 x Power Cable (P/N:32100-130300-RS) |
| 1 x SATA Cable (P/N:32000-062800-RS) | 1 x KB/MS Cable (P/N:32000-023800-RS) |
| 1 x Quad RS-232 Cable (P/N:32100-147900-RS) | 1 x VGA Cable (P/N:32000-033804-RS) |
| 1 x LAN Cable (P/N:32000-055702-RS) | 2 x Dual USB Cable (P/N:32000-070301-RS) |
| 1 x Mini Jumper pack | 1 x CD Utility |
| 1 x QIG |
|
|
| 订购信息 |
| 型号 | 描述 |
| PM-945GSE-N270-R10 | PCI-104 SBC with Intel® Atom™ 1.6GHz CPU, VGA/LVDS, LAN, USB, SATA, 4COM and on Board 1GB Memory |
| 32200-074800-RS | RS-422/485 Cable |
| 32100-088600-RS | SATA Power Cable |
| 32100-052100-RS | ATX Power Cable |
| AC-KIT08R-R10 | 5.1 channel AC'97 Audio Kit with Realtek ALC655 codec |
| AC-KIT883HD-R10 | 7.1 Channel HD Audio Kit with Realtek ALC883 codec support dual audio streams |